F
F.d. 59912
Guest
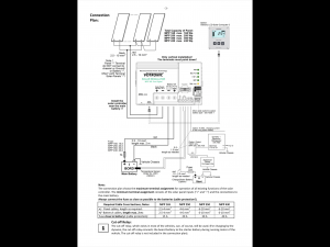
Lithiumbatterier skall vad jag läst, inte underhålls laddas. Hur funkar det då på sommaren när solpanelerna laddar ganska ofta? Hur funkar det när man ställer sig på en elplats för en natt och sedan dagen efter en ny elplats?
där med den extra funktionen. Tänkte bara att batteriets eget bms skötte om detta.



