• Erbjudande på Husbilsklubben.se

    Blir du ny medlem nu i Husbilsklubben.se betalar du ingen anmälningsavgift utan enbart årsavgift 100 kr.
    Du sparar 150 kr på detta och erbjudandet gäller tills vidare.
    Medlemskapet gäller nu även för kalenderåret 2026.
    Mer information finns här: Hur Registrerar jag mig.
    Du slipper också en massa störande reklam eftersom vi är en HELT reklamfri sida.
    OBS! På förekommen anledning: Om du inte loggat in och är HBK-Medlem och inte betalt årsavgiften så kan dina rabatter och förlängd reseförsäkring upphöra att gälla.

Husbilsbygge av buss

Sv: bygga inredning

Är motorn tillräckligt stor så behövs inte glödstift. Min förra buss hade en Scania DS11, rak 6:a på 11 liter och min nuvarande har en Mercedes OM423, V10 på 18.2 liter.
Jag vet inte var gränsen går för cylindervolymen, men enbart kompressionen på större motorer räcker till för att antända.

Måste för övrigt instämma i kören berömma ditt bygge som jag från början följt med spänning (passar ju bra nu när det handlar om elen :)). Snygg bussmodell för övrigt, och när du fick färg på den så blev den ju ännu läckrare...
 
Sv: bygga inredning

escema caravana.jpgDet är möjligt att det är som du säger för jag har inte sett glödstiften.Dessutom så startade den på sekunden när jag tjuvkopplade den för att köra in den i verkstaden, men klart 25-30º yttertemperatur.
Jag hade tänkt att ta en rejäl titt i morgon vad dom sitter. men det sitter en glödstifts spiral på instrumentpanelen. du vet den som släcks när man kan starta. Har i alla fall lagt in det i schemat. Det fattas fläkt och torkare för där har jag kvar orginalkablarna bara att koppla till B1+ efter nyckel relét
Motorn är på 6.8L
 
Sv: bygga inredning

Då kanske jag har gjort bort mig, :twitcy: ett problem mindre .
Eftersom jag har ett relé med timer och jeg ser att det går in en tjock vit kabel in till motorn så tog jag för givet att detta är glödstiften. Dessutom så sitter det en temperaturgivare och en termostat på motorn. Jag skall ta en lampa och se hur det ser ut.
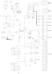
Elschemat blev litet skall se om det går att få större.
 

Bilagor

Sv: bygga inredning

Tack Iceman bara tänkte om jag hade köpt timer och börjat koppla in och sedan inte hittar glödstiften, men varför läste jag att den skulle förvärmas 9 sek?
Nej jag kan i alla fall inte hitta glödstiften. Troligtvis när man pratar om fulldiesel så har man mycket högra kompresion än en än en lätt personbils diesel. När jag var på jobbet idag så tittade jag på våran generator en John Deer diesel den hade inte heller några.

Detta är en oidentifierad pryl denna sitter i luftintaget med ett litet rör ner till dieselpumpen och har en kabelanslutning. Kan detta vara någon slags kallstart som ger lite extra diesel under starten? En solenoid jag vågar inte lägga på 24v direkt och höra om den klickar. I morgon skall jag ta med en laboratorie nätdel och ge den begränsad ström och se hur den uppför sig.
Jag vill inte heller skruva loss den, man skall inte pilla på sådant som fungerar.

Ner till vänster så syns det en termostat den sitter i kylvattnet.
eller är det en temperatur resistor som kopplas till temperaturmätaren. Jag har inte ohm mätt den.
Jag passade på att undersöka generatorn ifrån den gick det tre kablar en tjock som antagligen går direkt till batteriet sedan två vita smala kablar
Kan det vara så att den ena skall till tändningen och den andra till laddlampan?
 

Bilagor

  • SDC10190.JPG
    SDC10190.JPG
    1,5 MB · Visningar: 5
Sv: bygga inredning

Hej Juan, angående de två tunna kablarna från generatorn. Den ena borde gå till laddlampan och då skall märkningen på generatorn vara den omtalade D+
Är det möjligt att det finns/har funnits elektronisk varvräknare på bussen för då skulle den andra kabeln kunna vara till den och i så fall är märkningen på generatorn W.

Lycka till. JANKRO.
 
Sv: bygga inredning

Hej.
Först måste jag säga att Du är otroligt duktig på att fixa till allting men du verkar ha bra med utrymmen och tillgång till verktyg och maskiner.Men dieselmotorns funktion är inte riktigt som det skrivs här,det har inte något att göra med storleken om den har glödstift eller inte.det finns i huvudsak två typer av äldre motorer,direktinsprutade utan glödstift,startar bra,för kallstart,när det är riktigt kallt,finns ofta ett glödstift i insugningsröret för att förvärma isugningsluften dessutom kan det finnas en automatisk insprutning av bränsle på glödstiftet som då blir som startgas.Den andra typen är förkammardieseln som har ett glödstift i varje cylinder,de skall ofta alltid glödas när de är kalla.Det som gör att motorn går utan tändstift är att när luften komprimeras,på grund av den höga kompressionen,så blir den så varm att när bränslet sprutas in så antänds det då blir det en expansion i cylindern och motorn går.Skulle det bli explosion då finns ingen motor kvar,ändå är det många som pratar om explosion.Det finns mycket mer att säga om dieselmotorn men det får räcka.
Många hälsningar till Spanien,jag kanska kommer dit i vinter.
Jan-E.
 
Sv: bygga inredning

Jag passade på att undersöka generatorn ifrån den gick det tre kablar en tjock som antagligen går direkt till batteriet sedan två vita smala kablar
Kan det vara så att den ena skall till tändningen och den andra till laddlampan?
Hadde vært artig å vite navnet på generatoren, eller det beste hva det står der de hvite kablene festes. Kan virke som generatoren ikke har innebygd regulator, men ekstern. Og ledningene kommer fra den?
 
Sv: bygga inredning

Tack Iceman bara tänkte om jag hade köpt timer och börjat koppla in och sedan inte hittar glödstiften, men varför läste jag att den skulle förvärmas 9 sek?
Nej jag kan i alla fall inte hitta glödstiften. Troligtvis när man pratar om fulldiesel så har man mycket högra kompresion än en än en lätt personbils diesel. När jag var på jobbet idag så tittade jag på våran generator en John Deer diesel den hade inte heller några.

Detta är en oidentifierad pryl denna sitter i luftintaget med ett litet rör ner till dieselpumpen och har en kabelanslutning. Kan detta vara någon slags kallstart som ger lite extra diesel under starten? En solenoid jag vågar inte lägga på 24v direkt och höra om den klickar. I morgon skall jag ta med en laboratorie nätdel och ge den begränsad ström och se hur den uppför sig.
Jag vill inte heller skruva loss den, man skall inte pilla på sådant som fungerar.

Ner till vänster så syns det en termostat den sitter i kylvattnet.
eller är det en temperatur resistor som kopplas till temperaturmätaren. Jag har inte ohm mätt den.
Jag passade på att undersöka generatorn ifrån den gick det tre kablar en tjock som antagligen går direkt till batteriet sedan två vita smala kablar
Kan det vara så att den ena skall till tändningen och den andra till laddlampan?
Hej igen.Du har säkert en direktinsprutad diesel när det finns ett glödstift i insugnings röret.Du behöver inte använda detta glödstift i Spanien om motorn är i bra skick.Endast om det är kallare än ca - 10 grader det varierar på motorer,men det där ser Du nog,starta utan att glöda.
Mvh Jan-E
 
Sv: bygga inredning

Hej igen.
Du har en direktinsprutad motor,glödstiftet på bilden behövs inte i Spanien.
Mvh Jan-E
 
Sv: bygga inredning

Carver!

Så fungerar (skall den fungera) antagligen, kallstarten på min motor. Jag kan bara hitta ett glödstift och en liten pump. (Förutom elektroniken)

Har en Iveco Daily 35 TD 1988.

Alve
 
Sv: bygga inredning

Tack för många snabba svar då är det som jag misstänkte på med 24v och det kommer en liten duch av varm diesel i insugningsröret. därav timern på 9 sekunder. termostaten ligger då säkert på några minusgrader.
Då kopplar jag in den som på dom gamle traktorerna en knapp på instrumentpanelen för köldstart. Jag kommer nog att använde den ganska sällan kanske på ett besök i Sierra Nevada. Som ni kan se så har jag Isolerat den väl dels för att isolera ifrån värme, men likväl för kyla. Vattentankar är belagda med 5cm isolering. Invändigt i tankarna har jag lagt en serpentin som kopplas till motorns kylvatten. På detta sätt kan man tina upp vattnet om det skulle frysa. denna inkoppling kommer att ske manuellt med kranar. Vem vet kanske man åker till Sverige någon vinter.
 
Sv: bygga inredning

Hadde vært artig å vite navnet på generatoren, eller det beste hva det står der de hvite kablene festes. Kan virke som generatoren ikke har innebygd regulator, men ekstern. Og ledningene kommer fra den?[/quote]

För att kunna se generatorn så måste jag plocka bort den. Jag kommer till helgen att sätta fast "kransen" med kuggarna till startmotorn och starta motorn den ena vita kabeln går till laddningslampan som slocnar när den laddar .Den andra kabeln går Då till varvräknaren skall kolla med ett osciloscop och se pulserna.
SDC10178.JPG
Varvräknaren har tre poler 1 har jag mätt till jord. dom andra vet jag inte vilken som är puls och vilken som är 24v. Kan inte vara skadligt att förväxlas.
 
Sv: bygga inredning

Hej.
Vissa äldre dieselmotorer har en liten behållare som man fyller med startgas sen finns det en handpump inne i bilen som man pumpar med när det behövs.
Mvh Jan-E.
 
Sv: bygga inredning

Idag värmerekord och inne i verkstaden ännu varmare nu en bra bit över 50.
Försökte att spruta vatten på taket men slangen räcte inte.
Men det värsta som hände var att öltunnan tog slut. Sedan gick det trögt.
SDC10195.JPG

Har undersökt den lilla prylen som borde vara kallstart. Det är ingen solenoid,heller ingen glödstift. Den har 1.6 Ohm över sig. den sitter i luftinsugninsröret och har en liten slang till dieselpumpen.
Någon som vet hur den fungerar?
SDC10193.JPG

Jobbade sedan lite med inrredningen till överskåpen dessa kommer att klädas med körsbärsfaneren på 3mm. Färdigfanerade skivor finns bara i 3mm och 21mm så då bygger jag i playwood 12mm och limmar fast 3mm skivorna på dom synliga ytorna. Det blev detta val av ekonomiska skäl.
3mm körsbär 80€ per skiva och 21mm 135€ per skiva och dessutom för tung.




SDC10196.JPG
 
Sv: bygga inredning

Hej Juan.
Roligt at följa ditt bygge.
Denna förvärmare består av en spiral som blir glödhet och när du startar motoren och pumpen börjar trycka olja, sprutas en del av den in i
sugröret, träffar den glödande spiralen och då blir det futt i röret, och motoren startar.
Brukade vara vanligt på Engelska dieselmotorer bl.a.Perkins.

Håller med dig att automatlåda är att föredra.
Ha det bra.
Paulkaj
 
Sv: bygga inredning

Hej Juan.
Roligt at följa ditt bygge.
Denna förvärmare består av en spiral som blir glödhet och när du startar motoren och pumpen börjar trycka olja, sprutas en del av den in i
sugröret, träffar den glödande spiralen och då blir det futt i röret, och motoren startar.
Brukade vara vanligt på Engelska dieselmotorer bl.a.Perkins.

Håller med dig att automatlåda är att föredra.
Ha det bra.
Paulkaj
Hej.
Det är ju det som jag försökt förklara tidigare.
Mvh Jan-E
 
Sv: bygga inredning

Tack PaulKaj Och Carver
OK då är det som jag trodde, men 1.6 OHM nästan kortslutning fast låt se 24v
det blir 15A och det blir då 360 Watt. det kan nog stämma bra. ett fett relé och en tjock säkring får det bli.
 
Senast redigerad av en moderator:
Tillbaka
Toppen