Bluewiking
HBK Intresserad
- Inlägg
- 2
- Kommun
- Sundsvall
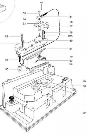
Hej. Vi har stött på lite problem med våran kassett toa av märket Thetford och tror att modellen heter C2. Från början när vi använde toan var den lite svår att få vattnet att spola men även att öppna luckan för att "släppa" ner det som hamnat i toaletten, efter ett tag så försvann det problemet men helt plötsligt vid en spolning så "fastnade" pumpen i spolningsläget och slutade inte spola förrän jag tog bort säkringen. Jag har testat att lossna spolknappen som sitter fast med en skruv i botten och kikat ner men kommer inte åt speciellt mycket den vägen, även lossat på behållaren på andra sidan med förvaring för en toarulle och kan där komma åt pumpen men inte mycket annat. Så felet kvarstår att pumpen spolar konstant och jag undrar därför vad felet kan vara?

