• Erbjudande på Husbilsklubben.se

    Blir du ny medlem nu i Husbilsklubben.se betalar du ingen anmälningsavgift utan enbart årsavgift 100 kr.
    Du sparar 150 kr på detta och erbjudandet gäller tills vidare.
    Medlemskapet gäller nu även för kalenderåret 2026.
    Mer information finns här: Hur Registrerar jag mig.
    Du slipper också en massa störande reklam eftersom vi är en HELT reklamfri sida.
    OBS! På förekommen anledning: Om du inte loggat in och är HBK-Medlem och inte betalt årsavgiften så kan dina rabatter och förlängd reseförsäkring upphöra att gälla.

Behöver råd om solcell

Joth

HBK Medlem
Inlägg
73
Kommun
Linköping
HBK-Nr
28738
Medlemskap
2027
Vi har precis köpt våran första egna husbil En Adrial Coral 670 sl -11, tidigare lånat av en släkting till och från under några år.

I samband med köpet blir vi erbjudna,

Ett extra batteri (det befintliga ska bytas ut mot ett sådant så det blir 2xbatteri, för AGM vill han ha 3000sek extra)
90 Ah Varta Professional Start/Förbrukning - Batterilagret Webshop

Solpanel 120w
Solpanel 120 W - Batterilagret Webshop

Regulator, PWM
Regulator 20A - Batterilagret Webshop

Till ett pris av 5000sek inklusive montering

(Montering för övrigt har jag inga problem att lösa själv, behöver bara hjälp för någon tusenlapp.

Vad jag förstått är en MPPT regulator att föredra, köra på det jag blivit erbjuden och eventuellt byta regulator?
Är det vettiga grejer? Vet inget om dom och hinner inte riktigt sätta mig in i det hela. Paneler verkar vara en djungel.
Köpa andra komponenter helt och hållet?

Alla tänkbara råd mottages varmt.
 
Kolla i butiker med båttillbehör ex Seasea eller 24volt.eu. De är billiga på solpaneler (om man inte vill skicka efter från Tyskland ex Prevent)
Köp en bra MPPT-regulator som är stor nog för ytterligare en panel om du vill bygga ut anläggningen senare, Ex Votronic 250 eller liknande.
Du kan säkert plocka ihop prylarna själv mycket billigare från olika leverantörer speciellt om du monterar själv.
 
Kolla i butiker med båttillbehör ex Seasea eller 24volt.eu. De är billiga på solpaneler (om man inte vill skicka efter från Tyskland ex Prevent)
Köp en bra MPPT-regulator som är stor nog för ytterligare en panel om du vill bygga ut anläggningen senare, Ex Votronic 250 eller liknande.
Du kan säkert plocka ihop prylarna själv mycket billigare från olika leverantörer speciellt om du monterar själv.
Tack, regulatorn verkar intressant.
Är det någon fördel med att kunna koppla in den på EBL´n? (om det nu går på min bil).
 
Är det någon fördel med att kunna koppla in den på EBL´n? (om det nu går på min bil).
I min hb (Adria -05) har någon installerat en solpanel med en "no-brand" regulator direkt till bodelsbatteriet.
upload_2019-5-10_16-35-43.png
Det gör att instrumentpanelen visar urladdning om inte 230V är anslutet och man har någon 12V förbrukare igång.
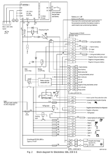
Men på EBL finns det en kontakt märkt Solar - Regulator
upload_2019-5-10_16-51-56.png
som jag ville utnyttja. Enligt elschema är det en mycket enkel koppling internt, och inkopplingen blir på rätt sida om strömshunten. Försökte få tag på lämplig kontakt på Bossings, men de finns inte separata. Man måste köpa en regulator för ca 1400:-, så det får nog vara för mej.

Men, det man får men rätt regulator inkopplad är att EBL laddar startbatteriet från solpanelen när bodelsbatteriet fått sitt.

/Ingvar
 
Det er en Molex kontakt, men en trenger rett verktøy for å montere ledninger i kontakten. En kan finne kontakten i en gammel stor PC og skarve ledningene, men for all del koble rett!! Mener det er pin 1 og 3 som skal benyttes for en ekstern regulator, men hva som er + og - er jeg ikke sikker på.
 
Tror det bara finns 3 tillverkare av regulator, som är kompatibla med Schaudt EBL
 
Att man med solregulator inkopplad i EBL laddar startbatteriet är inte allmängiltigt, på t.ex. EBL99 är det inte så.
 
EBL kontakt till solarkontakten hittar du hos LegoElektronik
kostar bara 49 kr. Sök på EBL kontakt så hittar du det där.
 
Det finns egentligen ingen anledning att koppla solpaneler via EBL-blocket, det ger bara upphov till större förluster.Ibland nämns det som en fördel att koppla via EBL eftersom man då även kan få startbatteriet laddat (vilket inte alltid sker).
Det går lika bra att koppla solpaneler direkt på batteriet via regulator och säkring.
Laddning av startbatteriet löste jag med en manuell omkastare mellan regulator och batteri, då kan man enkelt välja om start eller förbrukarbatteri ska laddas, det är mycket sällan som startbatteriet behöver laddas men möjligheten finns då i alla fall.
 
Skjema i innlegg 13 har ingen indikasjon på ladning av startbatteri, og benytter heller ikke indikator på pin 2 fra solpanel.
 
Det finns egentligen ingen anledning att koppla solpaneler via EBL-blocket, det ger bara upphov till större förluster.Ibland nämns det som en fördel att koppla via EBL eftersom man då även kan få startbatteriet laddat (vilket inte alltid sker).
Det går lika bra att koppla solpaneler direkt på batteriet via regulator och säkring.
Laddning av startbatteriet löste jag med en manuell omkastare mellan regulator och batteri, då kan man enkelt välja om start eller förbrukarbatteri ska laddas, det är mycket sällan som startbatteriet behöver laddas men möjligheten finns då i alla fall.

Fördelen med att koppla via EBL är ju att man får kontroll över batteriladdningen via bilens ordinarie instrument, annars behövs det ju en extern batterimonitor för att få veta batteriernas laddningsstatus. Jag skulle välja att koppla via EBL om jag inte tänkte ha en mycket stor solcellsanläggning som ger mer än 15A verklig laddning.
 
Kopling via ebl har en fordel - en ser hva som går inn og ut av batteriet. MEN ulempen er kabelmotstand som reduserer spenningen fra regulator til batteri og med det hvor effektiv ladningen blir. Om en i stedet for Amper fokuserer på Volt for vurdering av ladetilstand på batteriet så kan en ha regulatoren med veldig korte kabler til batteriet og maks ladning. Lang kabel fra solpanel til regulator har ikke samme problemet grunnet den vesentlig høyere spenning som finnes der, og en mppt regulator klarer å overføre effekten i Watt = Volt * Ampere. Om en måste vite hvor mange Amper som beveger seg inn og ut av batteriet så er en ekstern batterimonitor med shunt i minuskabelen fra batteriet eneste sikre løsning.
 
Fördelen med att koppla via EBL är ju att man får kontroll över batteriladdningen via bilens ordinarie instrument, annars behövs det ju en extern batterimonitor för att få veta batteriernas laddningsstatus. Jag skulle välja att koppla via EBL om jag inte tänkte ha en mycket stor solcellsanläggning som ger mer än 15A verklig laddning.

Jag kollade upp bilens mätinstrument (CBE) med ett precisionsinstrument och det visade sig att de visade ca 20 procent fel.
Det var för mycket för min del så jag monterde en schunt och ett extra mätinstrument.
Med detta får jag full koll på batteristatus, in och utgående ström m.m. Detta instrument av medelklass visar heller inte helt perfekta värden men det är mycket bättre än bilens egna.
På sommaren spelar det ingen roll men det är på för och eftersäsong som jag vill ha bättre koll på batteristatusen.
 
Tillbaka
Toppen